





































Инсталляция GROHE Solido 3 в 1 с клавишей смыва Even фантомный черный (38811KF0) и унитаз Long 52.5x34.5 Vortex Soft-Clo
Доступно для заказа 100 штук
Ульяновск
Самовывоз сегодня бесплатно
В пункте выдачи 10 ноября от 1 ₽
Доставим сегодня от 390 ₽
Ульяновск
Ульяновск, проспект Олимпийский, 10
В наличии 1 шт.

Описание
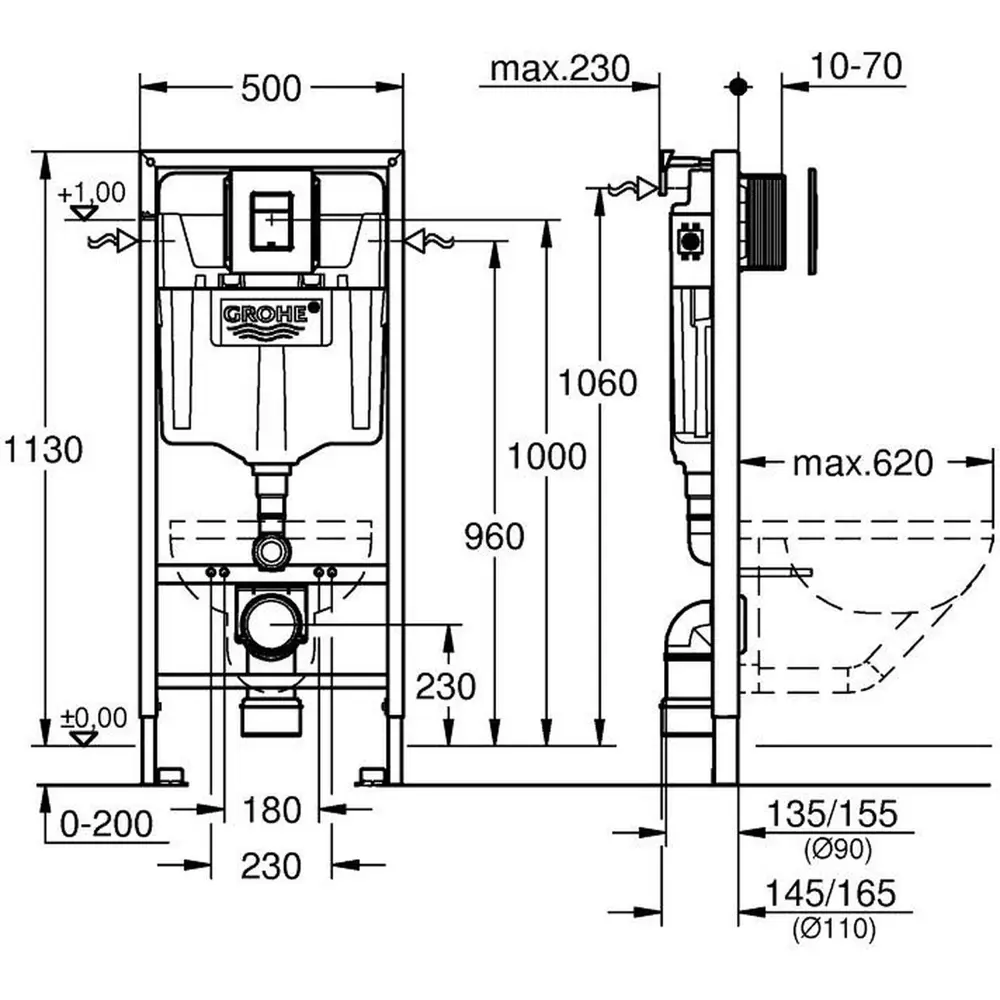
Система инсталляции для унитаза GROHE Solido 3 в 1 с панелью смыва Even, фантомный черный (38811KF0).
Инсталляция: Размеры (ШхВхГ): 500х1130х300 мм. Для монтажа перед стеной или стенной перегородкой. Самонесущая стальная рама с порошковым напылением, подготовлена для облицовки. Фиксированные подключения. Быстрая регулировка по высоте. Крепежный материал. Два болта-держателя для унитаза. Крепление для керамики. Расстояние между болтами 180/230 мм. Выходной патрубок для унитаза диаметром 90 мм. Регулировка глубины монтажа. Редуктор диаметром 90/110 мм. Входной и выходной соединительный комплект. Смывной бачок: Смывной бачок GD 2: 6 - 9 л. Пневматический смывной клапан с тремя режимами слива: 2-х объёмный, старт/стоп, или непрерывный. Подключение воды слева, справа, сзади и сверху. Низкий уровень шума (группа I согласно немецкой спецификации шума) изолирован от конденсата. Для вертикального или горизонтального монтажа. Подключение к водопроводу 1/2 дюйма, включая встроенный угловой клапан и гибкое шланговое соединение с уплотнителем для вертикального использования.
Клавиша смыва: Цвет: черный матовый. Материал: ABS-пластик. Вертикальный или горизонтальный монтаж. Два объема смыва или прерывание смыва старт/стоп. Настенный крепеж: Бесступенчатая регулировка глубины от 13 - 20,3 см. Облицовка для одиночного или рельсового монтажа.
Унитаз ADT подвесной. Характеристики: Цвет: черный матовый. Материал: санфарфор. Габариты (ШхВхД): 345х345х525 мм. Антигрязевое покрытие. Антибактериальное покрытие. Устойчив к царапинам. Безободковая конструкция. Направление выпуска: горизонтальное (в стену). Организация смывающего потока: Tornado. Система антивсплеск. Экономия воды. Монтаж: подвесной. Сиденье из дюропласта с плавным опусканием крышки (микролифт), быстросъемное, ультратонкое.
Данный унитаз подходит также для инсталляции фирм: TECE; Grohe; Geberit; AM.PM; ИнкоЭр; Weltwasser; Cersanit; IDDIS; BAUEDGE; AQUATEK; DIWO; Vitra; IDEAL Standart; Alca Plast; Jacob Delafon; Ewrika; Berges; Vidima; BELBAGNO; Viega; Enio; Azario; Laufen; Roca и другие.
Характеристики
Другие товары


Инсталляция GROHE Solido 3 в 1 с клавишей смыва Even фантомный черный (38811KF0) и унитаз Long 52.5x34.5 Vortex Soft-Close черный матовый квадрат в Ульяновске
Инсталляция GROHE Solido 3 в 1 с клавишей смыва Even фантомный черный (38811KF0) и унитаз Long 52.5x34.5 Vortex Soft-Close черный матовый квадрат и другие товары категории подвесные унитазы доступны в каталоге интернет-магазина Лемана ПРО в Ульяновске по цене 49 905 ₽. Ознакомьтесь с подробными характеристиками и описанием, а также отзывами о данном товаре, чтобы сделать правильный выбор и заказать товар онлайн.
Купите такие товары, как Инсталляция GROHE Solido 3 в 1 с клавишей смыва Even фантомный черный (38811KF0) и унитаз Long 52.5x34.5 Vortex Soft-Close черный матовый квадрат, в интернет-магазине Лемана ПРО, предварительно уточнив их наличие. Вы можете получить товар в Ульяновске удобным для Вас способом, для этого ознакомьтесь с информацией о доставке и самовывозе.
Вы всегда можете сделать заказ и оплатить его онлайн на официальном сайте Лемана ПРО в России. Для жителей Ульяновской области у нас не только низкие цены на такие товары, как "Инсталляция GROHE Solido 3 в 1 с клавишей смыва Even фантомный черный (38811KF0) и унитаз Long 52.5x34.5 Vortex Soft-Close черный матовый квадрат", но и быстрая доставка в такие города, как Ульяновск, Димитровград, Инза, Новоспасское, Барыш, Новоульяновск и Сенгилей.




